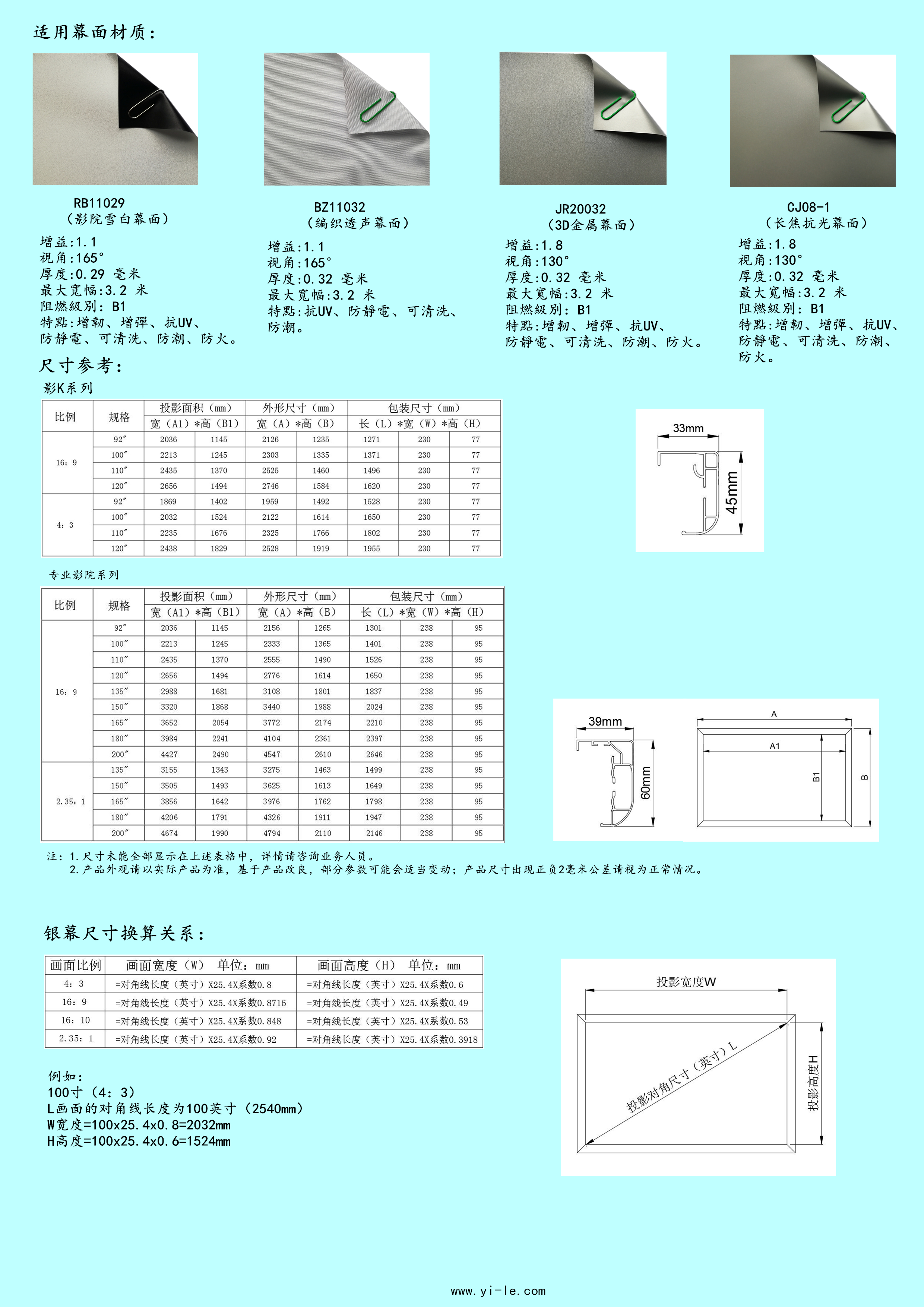
产品中心
|
影K画框幕
爵士系列45型边框银幕是专为影K系统而开发,采用45mm宽度边框,适用相对应的使用环境。
爵士系列45型边框银幕是专为影K系统而开发,采用45mm宽度边框,适用相对应的使用环境。边框采用高强度连接件,方便固定,从而实现无缝拼接,表面采用黑色天鹅绒布贴合,充满高贵典雅气息,让您在不同场所都能享受到专业影院级别的视觉效果。
铝型材边框采用黑色天鹅绒布包覆,彰显高贵典雅,有效吸收投影画面产生的漏光及反射光,使画面效果突出。
长度边框采用截断、拼接设计,包装体积减少一半,方便搬运及运输。
拉簧安装结构,有效消除幕面安装后的波纹,使幕面平整。
安装优势:下挂架与上挂片相结合,幕布下边框能贴紧墙面,不向外翘,挂件不外露。
45型影院系列标配支撑杆,确保长方向部位不会因为幕面绷紧后收缩而使尺寸发生变化。支撑杆表面环保静电喷粉或包绒处理。
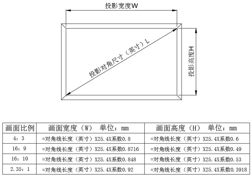
适用幕面:4K软白、4K软灰




